Jsme LUPRO

Specialisté na projektování v CAE programu e-Plan Electric P8 Professional, kde máme více než 35leté profesní zkušenosti.

35+

Let zkušeností s projektováním

Rádi vám pomůžeme v následujících oblastech:

Hlavní lokalitou je pro nás celá Česká republika, ale i zahraničí, kde hovoříme plně anglicky, německy, italsky a rusky.

01

Nabídka

Nabízíme komplexní projektování.

02

Profesionalita

Jsme odborníci s více jak 35 lety zkušeností. 

03

Kvalita

Na naše projekty se můžete stoprocentně spolehnout.

Nabízíme komplexní služby

Projekční činnosti

Naší hlavní činností je komplexní projekční činnost.

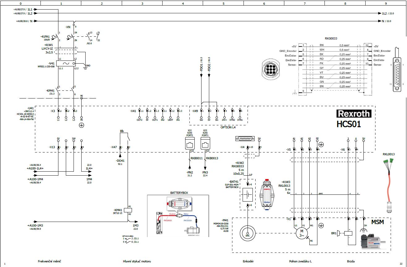
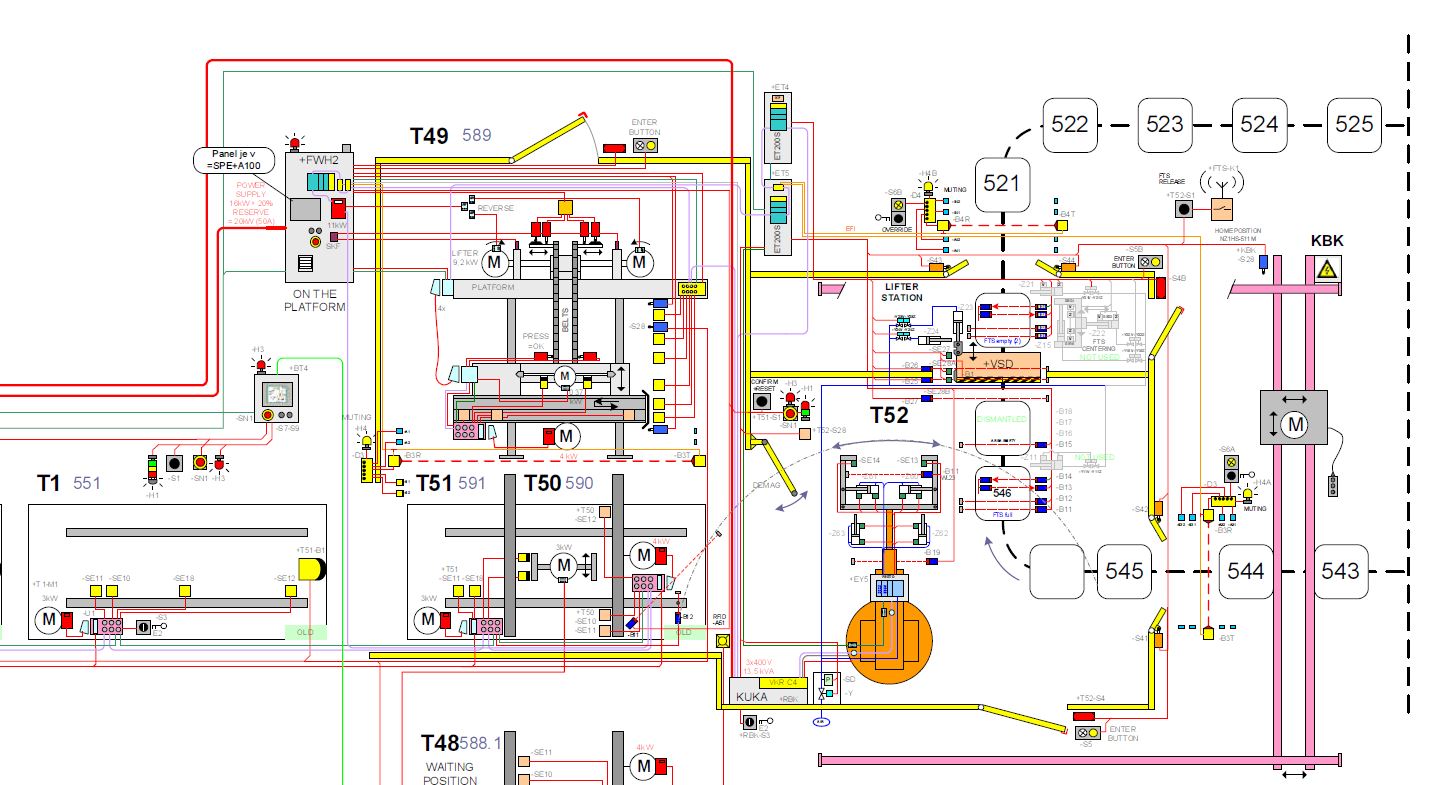
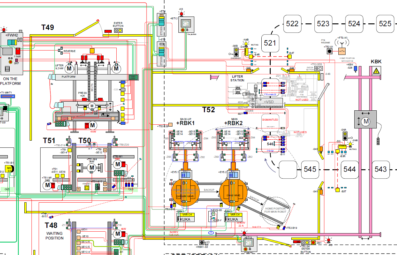
Automatizační technika

Návrh komplexních systémů průmyslové automatizace a technologií

Měření a regulace

Návrh systémů měření a regulace patří mezi naše pravidelné a vyhledávané činnosti.

Hledáte dokonalý projekt?

Naše galerie

O naší firmě

Zákazníci nás nejčastěji nacházejí po klíčovými slovy: projektant elektro eplan, projekční práce automatizační technika, projekční práce měření a regulace (MaR), Revize elektrického zařízení v rozsahu E1A  a komplexní projektování CAE.

Máte jakékoliv dotazy k našim službám? Kontaktujte nás a využijte naše bohaté zkušenosti.

0
+
Let zkušeností v oboru projektování
0
+
Spokojených klientů s naší prací
0
+
Úspěšně dokončených projektů

Naši klienti